 |
Matronics Email Lists Web Forum Interface to the Matronics Email Lists
|
| View previous topic :: View next topic |
| Author |
Message |
nuckolls.bob(at)aeroelect Guest
|
Posted: Wed Oct 04, 2017 8:32 am Post subject: Dual batteries or dual alternators? |
|
|
At 08:08 AM 10/4/2017, you wrote:
| Quote: | --> AeroElectric-List message posted by: "Flying Patagonia" <tintiescobar(at)hotmail.com>
Hello to everybody, does anyone have the best diagram for installing the dual EFII, with two alternators and single battery??
And second question, how would be the wiring with the bus manager using 2 alt and single battery |
It would help to know what airplane you're building
and the engine you selected. Also, how do you intend
to use this airplane? Mostly day, VMC fun trips? Any
long cross country over sparsely populated terrain, mountains,
at night? Any IMC ops anticipated?
Bob . . .
| | - The Matronics AeroElectric-List Email Forum - | | | Use the List Feature Navigator to browse the many List utilities available such as the Email Subscriptions page, Archive Search & Download, 7-Day Browse, Chat, FAQ, Photoshare, and much more:
http://www.matronics.com/Navigator?AeroElectric-List |
|
|
|
| Back to top |
|
 |
Flying Patagonia
Joined: 03 Oct 2017 Posts: 4
|
Posted: Wed Oct 04, 2017 5:10 pm Post subject: Re: Dual batteries or dual alternators? |
|
|
Hello my friends, thanks for the answers.
Here I give more details so you can help me with my wiring...
I’m building an RV-7, it is in the final process, I have just hang the engine, an Aerosport Power WildCat IO382; with full FlyEFII ignition and injection system, and dual Ecu’s. My avionics are one garmin G3X touch and Autopilot.
I wanted an aircraft with dual Alternator and initially single battery, dual alternator just because I’m going to fly in Patagonia Argentina, and here there are not much runways, and initially only one battery because I don’t want too much weight, don’t want to waste money in a second battery, don’t want more complexity, and in my point of view I consider batteries super confident, I have never had a battery failure, but I have had an alternator failure 3 times in my life, 1 in the car and 2 in the aircraft... so I prefer 2 alternator, and one odyssey battery... may be later if I desire to make a very long flight, or a very difficult flight like going to the Antartica, then I would consider going there with 2 batteries and 2 alternators, but not know... first I have to put this machine in the air...
Said all this, I saw AeroElectric book and the Z-12 diagram. And I already have all the components of that figure I bought everything in B&C, including the stand by alternator for the vacuum pump (40 amps).
My question is if this diagram would work with my dual Ecu’s EFII, how would I need to modify this, does anybody have a picture of the distribution of the components into the aircraft, and the switches in the cockpit??
All you can show me to clarify my ideas is very welcome...
| | - The Matronics AeroElectric-List Email Forum - | | | Use the List Feature Navigator to browse the many List utilities available such as the Email Subscriptions page, Archive Search & Download, 7-Day Browse, Chat, FAQ, Photoshare, and much more:
http://www.matronics.com/Navigator?AeroElectric-List |
|
|
|
| Back to top |
|
 |
chkaharyer99(at)yahoo.com Guest
|
Posted: Wed Oct 04, 2017 7:56 pm Post subject: Dual batteries or dual alternators? |
|
|
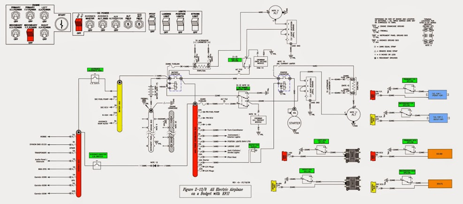
I'm considering the Z-12 as well for a SDS EM-5 FFI system in my RV-8. I found this on another popular forum. The link can be found below.
[img]cid:d6827631-7d4e-f5b1-e7ef-d2c84ef02b80(at)yahoo.com[/img]">
http://www.vansairforce.com/community/showthread.php?t=118810
On Wednesday, October 4, 2017, 6:29:41 PM PDT, Flying Patagonia <tintiescobar(at)hotmail.com> wrote:
--> AeroElectric-List message posted by: "Flying Patagonia" <tintiescobar(at)hotmail.com (tintiescobar(at)hotmail.com)>
Hello my friends, thanks for the answers.
Here I give more details so you can help me with my wiring...
I’m building an RV-7, it is in the final process, I have just hang the engine, an Aerosport Power WildCat IO382; with full FlyEFII ignition and injection system, and dual Ecu’s. My avionics are one garmin G3X touch and Autopilot.
I wanted an aircraft with dual Alternator and initially single battery, dual alternator just because I’m going to fly in Patagonia Argentina, and here there are not much runways, and initially only one battery because I don’t want too much weight, don’t want to waste money in a second battery, don’t want more complexity, and in my point of view I consider batteries super confident, I have never had a battery failure, but I have had an alternator failure 3 times in my life, 1 in the car and 2 in the aircraft.. so I prefer 2 alternator, and one odyssey battery... may be later if I desire to make a very long flight, or a very difficult flight like going to the Antartica, then I would consider going there with 2 batteries and 2 alternators, but not know... first I have to put this machine in the air...
Said all this, I saw AeroElectric book and the Z-12 diagram. And I already have all the components of that figure I bought everything in B&C, including the stand by alternator for the vacuum pump (40 amps).
My question is if this diagram would work with my dual Ecu’s EFII, how would I need to modify this, does anybody have a picture of the distribution of the components into the aircraft, and the switches in the cockpit??
All you can show me to clarify my ideas is very welcome...
Read this topic online here:
http://forums.matronics.com/viewtopic.php?p=473352#473352
</==================
http://www.matronics.com/Navigator?p; - MATRONICS WEB FORUMS -
<; --> http://fop; - NEW MATRONICS LIST WIKI -http://wiki.matronics.com
http://www.matronics.com/con========================
| | - The Matronics AeroElectric-List Email Forum - | | | Use the List Feature Navigator to browse the many List utilities available such as the Email Subscriptions page, Archive Search & Download, 7-Day Browse, Chat, FAQ, Photoshare, and much more:
http://www.matronics.com/Navigator?AeroElectric-List |
|
| Description: |
|
| Filesize: |
327.32 KB |
| Viewed: |
7594 Time(s) |

|
|
|
| Back to top |
|
 |
Flying Patagonia
Joined: 03 Oct 2017 Posts: 4
|
Posted: Thu Oct 05, 2017 12:56 pm Post subject: Re: Dual batteries or dual alternators? |
|
|
Thanks!
Do you have this diagram in better quality? It can’t see very well..
| | - The Matronics AeroElectric-List Email Forum - | | | Use the List Feature Navigator to browse the many List utilities available such as the Email Subscriptions page, Archive Search & Download, 7-Day Browse, Chat, FAQ, Photoshare, and much more:
http://www.matronics.com/Navigator?AeroElectric-List |
|
|
|
| Back to top |
|
 |
Flying Patagonia
Joined: 03 Oct 2017 Posts: 4
|
Posted: Thu Oct 05, 2017 2:46 pm Post subject: Re: Dual batteries or dual alternators? |
|
|
Bob, or anybody else to help how to wire a dual EFII, into the Z-12 diagram...?
Thanks!
| | - The Matronics AeroElectric-List Email Forum - | | | Use the List Feature Navigator to browse the many List utilities available such as the Email Subscriptions page, Archive Search & Download, 7-Day Browse, Chat, FAQ, Photoshare, and much more:
http://www.matronics.com/Navigator?AeroElectric-List |
|
|
|
| Back to top |
|
 |
nuckolls.bob(at)aeroelect Guest
|
Posted: Fri Oct 06, 2017 9:07 am Post subject: Dual batteries or dual alternators? |
|
|
Hello my friends, thanks for the answers.
Here I give more details so you can help me with my wiring...
I'm building an RV-7, it is in the final process, I have just hang the engine, an Aerosport Power WildCat IO382; with full FlyEFII ignition and injection system, and dual Ecus.
I consider batteries super confident, I have never had a battery failure, but I have had an alternator failure 3 times in my life, 1 in the car and 2 in the aircraft... so I prefer 2 alternator, and one odyssey battery.
Generally speaking, B&C alternators are
exceedingly long service lived. Failure
rates are a tiny fraction of the fielded
product. Most failures are due to installation
error or external influences.
A JUDICIOUSLY maintained battery is the
single most reliable source of electrical
energy in the airplane. A maintained battery
simply doesn't fail in flight. When maintained
batteries become unavailable in flight, it's
a result of effects external to the battery.
.. may be later if I desire to make a very long flight, or a very difficult flight like going to the Antartica, then I would consider going there with 2 batteries and 2 alternators, but not know... first I have to put this machine in the air...
With two alternators, the battery(ies)
are no longer tasked with alternator-out
endurance duties, hence they may be selected
primarily for their ability to crank the
engine and offer some stability to alternator
performance.
Said all this, I saw AeroElectric book and the Z-12 diagram. And I already have all the components of that figure I bought everything in B&C, including the stand by alternator for the vacuum pump (40 amps).
The pad mounted alternator is fabricated from
a 40A core . . . but if your pad is the
legacy gear ratio to the crankshaft, then
cruise rpm at the pad is on the order of 3700-
3800 rpm . . . too low to realize the machine's
full 40A output.
My question is if this diagram would work with my dual Ecu's EFII, how would I need to modify this, does anybody have a picture of the distribution of the components into the aircraft, and the switches in the cockpit??
Is there a down-loadable installer's manual
for your engine? It's difficult, if not
foolish, to make recommendations without
knowing the requirements/recommendations
for all ship's electrical components, not
the least of which is your engine.
Bob . . .
| | - The Matronics AeroElectric-List Email Forum - | | | Use the List Feature Navigator to browse the many List utilities available such as the Email Subscriptions page, Archive Search & Download, 7-Day Browse, Chat, FAQ, Photoshare, and much more:
http://www.matronics.com/Navigator?AeroElectric-List |
|
|
|
| Back to top |
|
 |
vookis Guest
|
Posted: Tue Dec 05, 2017 12:18 pm Post subject: Re: Dual batteries or dual alternators? |
|
|
How can its work with mobile tracker on Android?
| | - The Matronics AeroElectric-List Email Forum - | | | Use the List Feature Navigator to browse the many List utilities available such as the Email Subscriptions page, Archive Search & Download, 7-Day Browse, Chat, FAQ, Photoshare, and much more:
http://www.matronics.com/Navigator?AeroElectric-List |
|
|
|
| Back to top |
|
 |
|
|
You cannot post new topics in this forum You cannot reply to topics in this forum You cannot edit your posts in this forum You cannot delete your posts in this forum You cannot vote in polls in this forum You cannot attach files in this forum You can download files in this forum
|
Powered by phpBB © 2001, 2005 phpBB Group
|