 |
Matronics Email Lists Web Forum Interface to the Matronics Email Lists
|
| View previous topic :: View next topic |
| Author |
Message |
nuckolls.bob(at)aeroelect Guest
|
Posted: Mon May 06, 2013 10:58 am Post subject: Question |
|
|
At 01:24 PM 5/6/2013, you wrote:
| Quote: | Hello Bob,
I have a quick question-
Why is it that a radio like a Garmin SL-30 Nav/Com and a marker beacon like a PS Engineering model, have two separate ground wires each, i.e. one for the power ground and one for the audio ground – yet those wires end up connecting at the same grounding point.
I am curious as to why there has to be two wires from each box that end up at the same grounding point, instead of the manufacturer wiring these two grounds up together internally in the device, and then only using one ground wire?
Many thanks, |
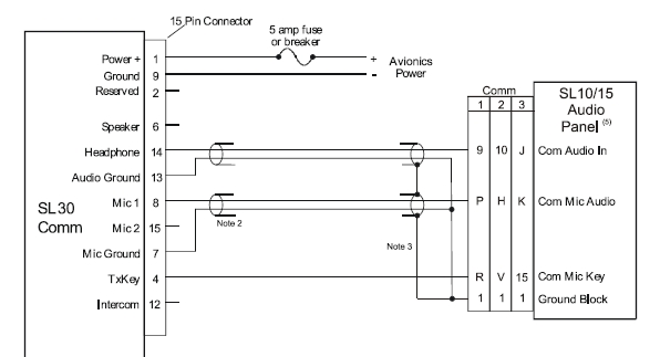
Not sure what you're referring to. Here's one of serveral
wiring diagrams gleaned from an SL-30 installation manual:
[img]cid:7.1.0.9.0.20130506135347.04cf1500(at)aeroelectric.com.0[/img]
In this case, I suspect that pins 13, 7 and 9 are
all common inside the SL-30 but only pin 9 is used
for attachment to ship's power ground. Pins 13 and
7 become a quasi-single point ground for the audio
system as it relates to the SL-30. Are there other
wiring diagrams that offer a more confusing picture?
Bob . . .
| | - The Matronics AeroElectric-List Email Forum - | | | Use the List Feature Navigator to browse the many List utilities available such as the Email Subscriptions page, Archive Search & Download, 7-Day Browse, Chat, FAQ, Photoshare, and much more:
http://www.matronics.com/Navigator?AeroElectric-List |
|
| Description: |
|
| Filesize: |
57.67 KB |
| Viewed: |
1167 Time(s) |

|
|
|
| Back to top |
|
 |
nuckolls.bob(at)aeroelect Guest
|
Posted: Wed May 08, 2013 8:57 am Post subject: Question |
|
|
| Quote: |
So there it is, that 9 and 13 are grounds, running to the same AMP connector. This is what I was asking. Why are there 2 independent wires which end up going to the same AMP connector with 30 some pins on it that are all grounded together?
Then in the bottom diagram for a PS Engineering marker beacon, pin 9 is the power ground and pin 14 is the audio ground. So am I correct in assuming that they also end up at the same 30 some pin AMP connector – since the SL-30 pins for power ground and audio ground both end up there? |
I cannot know the reasoning behind any particular
design decision unless it is specifically explained
in the manufacturer's documents. I can attest to the
my notion (shared by some) that many products miss
an opportunity to make a device easier to install
by making otherwise unneeded pins extra grounds.
This gives the installer an opportunity to neatly
terminate pigtails for shields on their own pin
in the connector. I have generated two widely
used, multiple connection grounding products. One
is the firewall ground bus sold by B&C, the other
is the panel/avionics ground bus offered on my
website. There are no specific assignments for
where connections are made on these products. My
architecture drawings feature ground symbols labeled
so as to suggest termination at a specific ground
bus . . . but not on any particular pin.
I am always pleased to see manufacturer's wiring
diagrams that offer dedicated ground pins for all wires
needing ground . . . but sometimes, it's simply
not possible to have plenty of grounds for all
contingencies.
There is nothing 'magic' about a proliferation
of grounds in any given connector.
Bob . . . [quote][b]
| | - The Matronics AeroElectric-List Email Forum - | | | Use the List Feature Navigator to browse the many List utilities available such as the Email Subscriptions page, Archive Search & Download, 7-Day Browse, Chat, FAQ, Photoshare, and much more:
http://www.matronics.com/Navigator?AeroElectric-List |
|
|
|
| Back to top |
|
 |
|
|
You cannot post new topics in this forum You cannot reply to topics in this forum You cannot edit your posts in this forum You cannot delete your posts in this forum You cannot vote in polls in this forum You cannot attach files in this forum You can download files in this forum
|
Powered by phpBB © 2001, 2005 phpBB Group
|