 |
Matronics Email Lists Web Forum Interface to the Matronics Email Lists
|
| View previous topic :: View next topic |
| Author |
Message |
nuckolls.bob(at)aeroelect Guest
|
Posted: Thu Sep 13, 2012 9:47 am Post subject: Mag noise |
|
|
Noise in radio. Newly overhauled Bendix mags, new ignition harness new P leads, Noise only appears with mag switch on Both, is not there when switch is on left or right individually. Rechecked all ground connections, shielding is grounded at both ends. Engine is grounded to engine mount, engine mount grounded to airframe. All connections at switch have been checked. Aircraft is a Glastar with composite fuselage. Someone has suggested using double shielded wire for P leads. We have tried everything to solve the problem and have run out of options. Would really appreciate your help. I have your loose leaf book but could not find anything that specifically addressed this problem. Thank you.
Do this experiment. Disconnect both the p-lead
center conductors -AND- ground wires at the switch
and leave them hanging. Fire up the engine and
see if the noise persists. Kill engine with
mixture.
If noise goes away, reconnect wires to the
switch but REMOVE local ground for the shields.
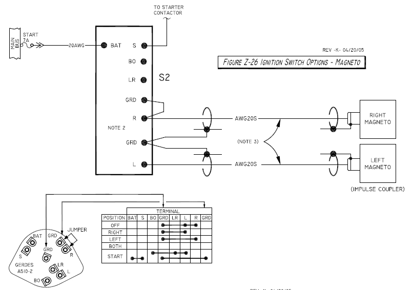
Wiring data in the book is figure Z-26.
[img]cid:7.1.0.9.0.20120913123717.01e22bb8(at)aeroelectric.com.0[/img]
The shields should be grounded at the engine end only.
I think this may fix your problem.
Bob . . .
| | - The Matronics AeroElectric-List Email Forum - | | | Use the List Feature Navigator to browse the many List utilities available such as the Email Subscriptions page, Archive Search & Download, 7-Day Browse, Chat, FAQ, Photoshare, and much more:
http://www.matronics.com/Navigator?AeroElectric-List |
|
| Description: |
|
| Filesize: |
101.29 KB |
| Viewed: |
1204 Time(s) |

|
|
|
| Back to top |
|
 |
nuckolls.bob(at)aeroelect Guest
|
Posted: Fri Sep 14, 2012 9:33 am Post subject: Mag noise |
|
|
>The shields should be grounded at the engine end only.
>I think this may fix your problem.
Thank you for your quick response to my problem. I have been
wrestling with this for two weeks. Every book I have on the subject
says to ground both ends of the shielding. In any event I took your
advise and the noise is gone. Medicine Lodge brings back memories to
me, I went to school at Emporia and my roomate was from there. I
trained on B-29s at Smoky Hill Air Base in WWII. Thank you again for
your help, it is much appreciated. Ed Dunn
I think this is perhaps the third time this
particular set of conditions propagated ignition
noise into the rest of the airplane. I'm not
sure I understand the exact mode of propagation
for noise but whether we understand it or not,
it's a demonstrably good thing to do.
Bob . . .
| | - The Matronics AeroElectric-List Email Forum - | | | Use the List Feature Navigator to browse the many List utilities available such as the Email Subscriptions page, Archive Search & Download, 7-Day Browse, Chat, FAQ, Photoshare, and much more:
http://www.matronics.com/Navigator?AeroElectric-List |
|
|
|
| Back to top |
|
 |
|
|
You cannot post new topics in this forum You cannot reply to topics in this forum You cannot edit your posts in this forum You cannot delete your posts in this forum You cannot vote in polls in this forum You cannot attach files in this forum You can download files in this forum
|
Powered by phpBB © 2001, 2005 phpBB Group
|