daleandee(at)yahoo.com Guest
|
Posted: Fri Feb 18, 2011 9:53 pm Post subject: Corvair wiring |
|
|
Group,
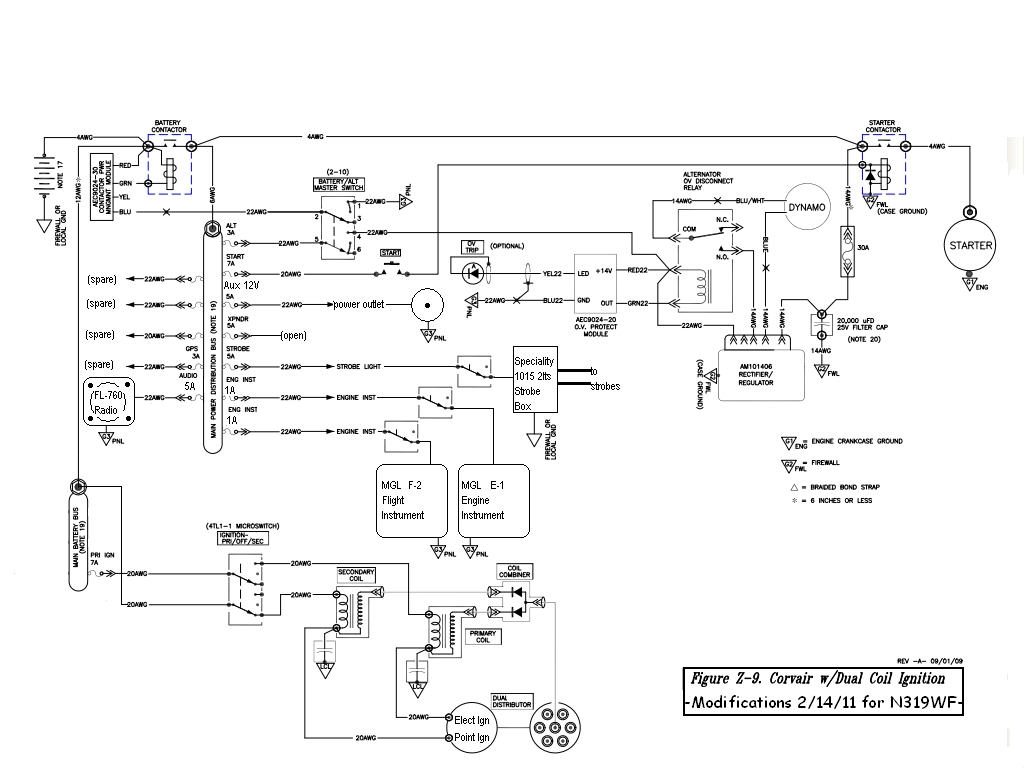
I'm new here and seeking some help for my Corvair powered airplane. Attached is a diagram that began as the Z-9 drawing to which I've made mostly deletions. The fuel pump circuits have been deleted as I'm using a gravity feed system.
You will also note the elimination of a fuse for the secondary ignition circuit. William Wynn recommends that there be no fuses, breakers, ect in the ignition wiring. I do show a 7A in the primary ignition circuit (that may need to be increased but I don't have that spec as yet).
Could I also get some comments on the battery contactor? I know some say it isn't needed and that a good master switch can handle all of the amps that the system will need. The Dynamo is 20A and the main fuse is 30A.
Any suggested changes and the reasons for the changes are appreciated. Please be aware that I'm not the sharpest pencil in the box when it comes to electrical wiring so your patience and elementary type answers are much appreciated. 8~)
Thanks in advance for all your help.
Dale
| | - The Matronics AeroElectric-List Email Forum - | | | Use the List Feature Navigator to browse the many List utilities available such as the Email Subscriptions page, Archive Search & Download, 7-Day Browse, Chat, FAQ, Photoshare, and much more:
http://www.matronics.com/Navigator?AeroElectric-List |
|
| Description: |
|
| Filesize: |
222.54 KB |
| Viewed: |
1115 Time(s) |

|
|
|