 |
Matronics Email Lists Web Forum Interface to the Matronics Email Lists
|
| View previous topic :: View next topic |
| Author |
Message |
Bill1200
Joined: 19 Oct 2008 Posts: 111 Location: medford oregon
|
Posted: Tue Jul 07, 2009 9:06 am Post subject: 52- pneumatic diagram |
|
|
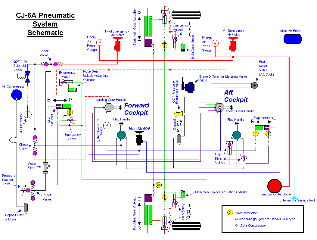
Saw a nice color schematic couple of months back, now I can't find it. Anyone have a reference, thanks
| | - The Matronics Yak-List Email Forum - | | | Use the List Feature Navigator to browse the many List utilities available such as the Email Subscriptions page, Archive Search & Download, 7-Day Browse, Chat, FAQ, Photoshare, and much more:
http://www.matronics.com/Navigator?Yak-List |
|
|
|
| Back to top |
|
 |
keithmckinley
Joined: 11 Aug 2008 Posts: 434
|
Posted: Tue Jul 07, 2009 10:39 am Post subject: Re: 52- pneumatic diagram |
|
|
is this it?
| | - The Matronics Yak-List Email Forum - | | | Use the List Feature Navigator to browse the many List utilities available such as the Email Subscriptions page, Archive Search & Download, 7-Day Browse, Chat, FAQ, Photoshare, and much more:
http://www.matronics.com/Navigator?Yak-List |
|
| Description: |
|
| Filesize: |
411.07 KB |
| Viewed: |
15890 Time(s) |

|
|
|
| Back to top |
|
 |
Bill1200
Joined: 19 Oct 2008 Posts: 111 Location: medford oregon
|
|
| Back to top |
|
 |
keithmckinley
Joined: 11 Aug 2008 Posts: 434
|
Posted: Tue Jul 07, 2009 11:15 am Post subject: Re: 52- pneumatic diagram |
|
|
you can blow it up to about 16x20 without loosing too much definition. Bring it to Staples, have them print and laminate for your hangar
| | - The Matronics Yak-List Email Forum - | | | Use the List Feature Navigator to browse the many List utilities available such as the Email Subscriptions page, Archive Search & Download, 7-Day Browse, Chat, FAQ, Photoshare, and much more:
http://www.matronics.com/Navigator?Yak-List |
|
|
|
| Back to top |
|
 |
N13472(at)aol.com Guest
|
Posted: Tue Jul 07, 2009 2:20 pm Post subject: 52- pneumatic diagram |
|
|
Very good diagram But it is for a CJ-6
Tom Elliott
CJ-6A NX63727
702-595-2680
--
| | - The Matronics Yak-List Email Forum - | | | Use the List Feature Navigator to browse the many List utilities available such as the Email Subscriptions page, Archive Search & Download, 7-Day Browse, Chat, FAQ, Photoshare, and much more:
http://www.matronics.com/Navigator?Yak-List |
|
|
|
| Back to top |
|
 |
keithmckinley
Joined: 11 Aug 2008 Posts: 434
|
Posted: Tue Jul 07, 2009 5:29 pm Post subject: Re: 52- pneumatic diagram |
|
|
sorry about that!
| | - The Matronics Yak-List Email Forum - | | | Use the List Feature Navigator to browse the many List utilities available such as the Email Subscriptions page, Archive Search & Download, 7-Day Browse, Chat, FAQ, Photoshare, and much more:
http://www.matronics.com/Navigator?Yak-List |
|
|
|
| Back to top |
|
 |
|
|
You cannot post new topics in this forum You cannot reply to topics in this forum You cannot edit your posts in this forum You cannot delete your posts in this forum You cannot vote in polls in this forum You cannot attach files in this forum You can download files in this forum
|
Powered by phpBB © 2001, 2005 phpBB Group
|