 |
Matronics Email Lists Web Forum Interface to the Matronics Email Lists
|
| View previous topic :: View next topic |
| Author |
Message |
wschertz(at)comcast.net Guest
|
Posted: Fri Apr 24, 2009 1:04 pm Post subject: LR3 regulator Amperage indications |
|
|
Bob,
Does the LR3 regulate the voltage by switching the current on/off? or by
smoothly varying the field circuit. I have a data recorder taking samples
every 5 seconds, and the current jumps up and down, while the voltage is
quite steady. Is this normal?
Bill Schertz
KIS Cruiser #4045
N343BS
---
| | - The Matronics AeroElectric-List Email Forum - | | | Use the List Feature Navigator to browse the many List utilities available such as the Email Subscriptions page, Archive Search & Download, 7-Day Browse, Chat, FAQ, Photoshare, and much more:
http://www.matronics.com/Navigator?AeroElectric-List |
|
|
|
| Back to top |
|
 |
nuckolls.bob(at)aeroelect Guest
|
Posted: Fri Apr 24, 2009 2:18 pm Post subject: LR3 regulator Amperage indications |
|
|
At 03:57 PM 4/24/2009, you wrote:
| Quote: |
Bob,
Does the LR3 regulate the voltage by switching the current on/off?
or by smoothly varying the field circuit. I have a data recorder
taking samples every 5 seconds, and the current jumps up and down,
while the voltage is quite steady. Is this normal?
|
Where are you measuring current and voltage? The LR series
regulators are linear devices i.e. smoothly variable DC output
voltage. But without knowing exactly where you are sampling
voltage and current, I'm unable to deduce the significance
of your observations.
Bob . . .
----------------------------------------)
( . . . a long habit of not thinking )
( a thing wrong, gives it a superficial )
( appearance of being right . . . )
( )
( -Thomas Paine 1776- )
----------------------------------------
| | - The Matronics AeroElectric-List Email Forum - | | | Use the List Feature Navigator to browse the many List utilities available such as the Email Subscriptions page, Archive Search & Download, 7-Day Browse, Chat, FAQ, Photoshare, and much more:
http://www.matronics.com/Navigator?AeroElectric-List |
|
|
|
| Back to top |
|
 |
wschertz(at)comcast.net Guest
|
Posted: Sat Apr 25, 2009 5:21 am Post subject: LR3 regulator Amperage indications |
|
|
Bob,
The heavy lead from the Alternator feeds through a hall effect sensor that
is supplied by and read by a Blue mountain EFIS to supply a 0-5 volt signal
that is calibrated for amperage.
The Voltage readings are on the main bus, and also the e-bus (Reads a few
tenths lower because of diode) and they are nice and stable.
Bill Schertz
KIS Cruiser #4045
N343BS
---
| | - The Matronics AeroElectric-List Email Forum - | | | Use the List Feature Navigator to browse the many List utilities available such as the Email Subscriptions page, Archive Search & Download, 7-Day Browse, Chat, FAQ, Photoshare, and much more:
http://www.matronics.com/Navigator?AeroElectric-List |
|
|
|
| Back to top |
|
 |
nuckolls.bob(at)aeroelect Guest
|
Posted: Sat Apr 25, 2009 5:35 am Post subject: LR3 regulator Amperage indications |
|
|
At 08:17 AM 4/25/2009, you wrote:
| Quote: |
Bob,
The heavy lead from the Alternator feeds through a hall effect
sensor that is supplied by and read by a Blue mountain EFIS to
supply a 0-5 volt signal that is calibrated for amperage.
The Voltage readings are on the main bus, and also the e-bus (Reads
a few tenths lower because of diode) and they are nice and stable.
Bill Schertz
KIS Cruiser #4045
N343BS
|
Okay, how much do the current readings "wiggle". Remember
that a 3-phase rectified AC output alternators has about 5%
pk-pk ripple on it. Further, there are diode switching
transients that can expand the total pk-pk level of noise
to 10% or so of bus voltage. Depending on the roll-off in
frequency response of your data acquisition system, you may
be sampling the effects of this noise.
Try putting a 1000 ohm resistor in series with your sample
sense line an a 10 mF capacitor across the line on the
line away from the sense point. This will roll off your
frequency response to about 100 Hz. See if this doesn't
settle the readings considerably.
The fact that your bus voltage is stable suggests that
the phenomenon you're observing is a product of measurement
technique and not a suggestion of poor system performance.
Bob . . .
----------------------------------------)
( . . . a long habit of not thinking )
( a thing wrong, gives it a superficial )
( appearance of being right . . . )
( )
( -Thomas Paine 1776- )
----------------------------------------
| | - The Matronics AeroElectric-List Email Forum - | | | Use the List Feature Navigator to browse the many List utilities available such as the Email Subscriptions page, Archive Search & Download, 7-Day Browse, Chat, FAQ, Photoshare, and much more:
http://www.matronics.com/Navigator?AeroElectric-List |
|
|
|
| Back to top |
|
 |
wschertz(at)comcast.net Guest
|
Posted: Fri May 08, 2009 7:37 am Post subject: LR3 regulator Amperage indications |
|
|
Bob,
The heavy B lead comes off the B&C alternator, and passes through a sensor
supplied by Blue Mountain avionics, which I believe is a Hall effect
transducer, and then goes to the Batteries. The Voltage is measured at the
Main buss.
I am enclosing the output from the last flight showing the variations.
Bill Schertz
KIS Cruiser #4045
N343BS
Phase I testing
---
| | - The Matronics AeroElectric-List Email Forum - | | | Use the List Feature Navigator to browse the many List utilities available such as the Email Subscriptions page, Archive Search & Download, 7-Day Browse, Chat, FAQ, Photoshare, and much more:
http://www.matronics.com/Navigator?AeroElectric-List |
|
| Description: |
|
 Download |
| Filename: |
Volts_amps.flight4.pdf |
| Filesize: |
20.09 KB |
| Downloaded: |
358 Time(s) |
|
|
| Back to top |
|
 |
nuckolls.bob(at)aeroelect Guest
|
Posted: Fri May 08, 2009 12:33 pm Post subject: LR3 regulator Amperage indications |
|
|
At 10:33 AM 5/8/2009, you wrote:
| Quote: | Bob,
The heavy B lead comes off the B&C alternator, and passes through a
sensor supplied by Blue Mountain avionics, which I believe is a Hall
effect transducer, and then goes to the Batteries. The Voltage is
measured at the Main buss.
I am enclosing the output from the last flight showing the variations.
|
Those traces are almost certainly plagued with data sampling
artifacts polluted by noise. There's no way that the "real"
numbers are that trashy. Have you explored the R/C filtering
I suggested? How many bits of resolution does the data
acquisition system offer?
Bob . . .
----------------------------------------)
( . . . a long habit of not thinking )
( a thing wrong, gives it a superficial )
( appearance of being right . . . )
( )
( -Thomas Paine 1776- )
----------------------------------------
| | - The Matronics AeroElectric-List Email Forum - | | | Use the List Feature Navigator to browse the many List utilities available such as the Email Subscriptions page, Archive Search & Download, 7-Day Browse, Chat, FAQ, Photoshare, and much more:
http://www.matronics.com/Navigator?AeroElectric-List |
|
|
|
| Back to top |
|
 |
wschertz(at)comcast.net Guest
|
Posted: Mon May 18, 2009 3:21 am Post subject: LR3 regulator Amperage indications |
|
|
Bob,
I am now convinced that the variations were real. I inserted an ammeter into
the field line, while the engine was stopped. Got a reading of 3.5 amps.
Then took the plane out, fired it up with the ammeter in place, and when the
alternator switch was turned on, the current went to 3.5 amps for a very
short time, then dropped to zero. At that point, it stayed at zero, and the
battery would not charge.
Put plane back in hanger, and did some static measurements.
Voltage from LR-3 to field circuit breaker ~4.5 volts
Voltage at connector to alternator (black plug) ~4.5V
Resistance to ground through the leads that field current plugs into varies
(jumps around) and then often goes to open circuit.
Could the slip rings be contaminated or not in contact?
Comments?
Bill Schertz
KIS Cruiser #4045
N343BS
Phase I testing
---
| | - The Matronics AeroElectric-List Email Forum - | | | Use the List Feature Navigator to browse the many List utilities available such as the Email Subscriptions page, Archive Search & Download, 7-Day Browse, Chat, FAQ, Photoshare, and much more:
http://www.matronics.com/Navigator?AeroElectric-List |
|
|
|
| Back to top |
|
 |
nuckolls.bob(at)aeroelect Guest
|
Posted: Mon May 25, 2009 12:33 pm Post subject: LR3 regulator Amperage indications |
|
|
At 06:12 AM 5/18/2009, you wrote:
| Quote: |
Bob,
I am now convinced that the variations were real. I inserted an
ammeter into the field line, while the engine was stopped. Got a
reading of 3.5 amps. Then took the plane out, fired it up with the
ammeter in place, and when the alternator switch was turned on, the
current went to 3.5 amps for a very short time, then dropped to
zero. At that point, it stayed at zero, and the battery would not charge.
Put plane back in hanger, and did some static measurements.
Voltage from LR-3 to field circuit breaker ~4.5 volts
|
This voltage comes FROM your battery via the contactor,
main bus, alternator field breaker and switch. When
you made these measurements, was the battery charged
at all? Or was it down to 4.5 volts?
| Quote: | Voltage at connector to alternator (black plug) ~4.5V
|
| Quote: | Resistance to ground through the leads that field current plugs into
varies (jumps around) and then often goes to open circuit.
Could the slip rings be contaminated or not in contact?
|
This is a possibility. You need to deduce the
reason for such low voltage readings. Put
a charger/maintainer on your battery and make
sure it's 100% before you continue the investigation.
Bob . . .
----------------------------------------)
( . . . a long habit of not thinking )
( a thing wrong, gives it a superficial )
( appearance of being right . . . )
( )
( -Thomas Paine 1776- )
----------------------------------------
| | - The Matronics AeroElectric-List Email Forum - | | | Use the List Feature Navigator to browse the many List utilities available such as the Email Subscriptions page, Archive Search & Download, 7-Day Browse, Chat, FAQ, Photoshare, and much more:
http://www.matronics.com/Navigator?AeroElectric-List |
|
|
|
| Back to top |
|
 |
wschertz(at)comcast.net Guest
|
Posted: Mon May 25, 2009 12:58 pm Post subject: LR3 regulator Amperage indications |
|
|
Bob, an update -- The Battery, alternator, and LR3C are fine, the symptoms
below are attributed to operator induced problems.
1. Apparently when hooking up for the test, I caused a short that blew the
fuse to the alternator field. That is the reason for the battery not
charging.
2. I talked to B&C, and downloaded there diagnostic check sheet. This led to
the discovery of the blown fuse.
3. I have installed an old fashioned 50mv/60A shunt in the B lead, and
hooked it up to a DVM. Alternator working fine, hash on recorded output must
be as you originally surmised, the result of noise.
I have not yet tried to filter the noise, now that I know the output is
stable, I can ignore the chart until I have time to fix it.
Thanks for your help/input.
Bill Schertz
KIS Cruiser #4045
N343BS
Phase I testing
---
| | - The Matronics AeroElectric-List Email Forum - | | | Use the List Feature Navigator to browse the many List utilities available such as the Email Subscriptions page, Archive Search & Download, 7-Day Browse, Chat, FAQ, Photoshare, and much more:
http://www.matronics.com/Navigator?AeroElectric-List |
|
|
|
| Back to top |
|
 |
ianxbrown
Joined: 16 May 2009 Posts: 80
|
Posted: Mon May 25, 2009 3:11 pm Post subject: LR3 regulator Amperage indications |
|
|
Not sure if this is relevant to your situation, but I just had a similar
experience with the EXPBUS output to the alternator. The IRF4905 MOSFET
that was controlling the 12V to the alternator was measuring 12V with no
load, but when connected to the alternator dropped to a low voltage.
Replacing that device on the EXPBUS resolved my problem, as of
today.
The ammeter output was totally confusing during this time, in that it
was indicating 2A, but may have actually been indicating no charging
current at all. The battery was certainly discharging with minimal
loads.
If the LR3 "solid state" components include a similar device to the
IRF4905 it seems it's not so simple as just measuring the voltage at the
output, since it seems to drop as soon as a load is applied if faulty.
Good luck,
Ian Brown
Bromont
Quebec
Finally getting back to flying tomorrow!
On Mon, 2009-05-25 at 15:26 -0500, Robert L. Nuckolls, III wrote:
| Quote: |
At 06:12 AM 5/18/2009, you wrote:
>
>
>Bob,
>I am now convinced that the variations were real. I inserted an
>ammeter into the field line, while the engine was stopped. Got a
>reading of 3.5 amps. Then took the plane out, fired it up with the
>ammeter in place, and when the alternator switch was turned on, the
>current went to 3.5 amps for a very short time, then dropped to
>zero. At that point, it stayed at zero, and the battery would not charge.
>
>Put plane back in hanger, and did some static measurements.
>
>Voltage from LR-3 to field circuit breaker ~4.5 volts
This voltage comes FROM your battery via the contactor,
main bus, alternator field breaker and switch. When
you made these measurements, was the battery charged
at all? Or was it down to 4.5 volts?
>Voltage at connector to alternator (black plug) ~4.5V
>Resistance to ground through the leads that field current plugs into
>varies (jumps around) and then often goes to open circuit.
>
>Could the slip rings be contaminated or not in contact?
This is a possibility. You need to deduce the
reason for such low voltage readings. Put
a charger/maintainer on your battery and make
sure it's 100% before you continue the investigation.
Bob . . .
----------------------------------------)
( . . . a long habit of not thinking )
( a thing wrong, gives it a superficial )
( appearance of being right . . . )
( )
( -Thomas Paine 1776- )
----------------------------------------
|
| | - The Matronics AeroElectric-List Email Forum - | | | Use the List Feature Navigator to browse the many List utilities available such as the Email Subscriptions page, Archive Search & Download, 7-Day Browse, Chat, FAQ, Photoshare, and much more:
http://www.matronics.com/Navigator?AeroElectric-List |
|
|
|
| Back to top |
|
 |
nuckolls.bob(at)aeroelect Guest
|
Posted: Tue May 26, 2009 3:06 pm Post subject: LR3 regulator Amperage indications |
|
|
At 06:09 PM 5/25/2009, you wrote:
| Quote: | --> AeroElectric-List message posted by: Ian <ixb(at)videotron.ca>
Not sure if this is relevant to your situation, but I just had a similar
experience with the EXPBUS output to the alternator. The IRF4905 MOSFET
that was controlling the 12V to the alternator was measuring 12V with no
load, but when connected to the alternator dropped to a low voltage.
Replacing that device on the EXPBUS resolved my problem, as of
today.
The ammeter output was totally confusing during this time, in that it
was indicating 2A, but may have actually been indicating no charging
current at all. The battery was certainly discharging with minimal
loads.
If the LR3 "solid state" components include a similar device to the
IRF4905 it seems it's not so simple as just measuring the voltage at the
output, since it seems to drop as soon as a load is applied if faulty. |
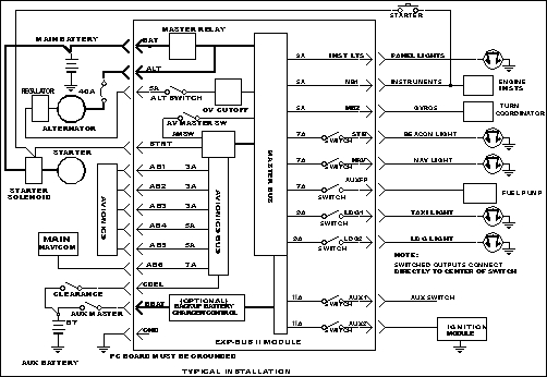
Not exactly . . . The mosfet in the EXP bus appears to
be used as a ON/OFF switch in the feature labeled OV CUTOFF.
It should be turned on hard at all times when not OV-tripped
so as to not upset regulator performance downstream.
[img]cid:7.1.0.9.0.20090526175330.01e5f6f8(at)aeroelectric.com.0[/img]
The LR3 does have a series control device used as part of
the voltage regulator system. The LR3 also features its own
ov protection that would NOT be compatible with an EXP BUS
installation. Bill cited a voltage reading on the order of
4.5 volts on the wire between circuit breaker and the field
terminal of the LR3 . . . this would cause the LR3 output
to be similarly depressed.
There's either something "unhooked" between the field supply
breaker and the field power terminal of the LR3 . . . or the
battery is REALLY soggy.
Bob. . .
| | - The Matronics AeroElectric-List Email Forum - | | | Use the List Feature Navigator to browse the many List utilities available such as the Email Subscriptions page, Archive Search & Download, 7-Day Browse, Chat, FAQ, Photoshare, and much more:
http://www.matronics.com/Navigator?AeroElectric-List |
|
| Description: |
|
| Filesize: |
111.15 KB |
| Viewed: |
5899 Time(s) |

|
|
|
| Back to top |
|
 |
nuckolls.bob(at)aeroelect Guest
|
Posted: Tue May 26, 2009 3:08 pm Post subject: LR3 regulator Amperage indications |
|
|
At 03:50 PM 5/25/2009, you wrote:
| Quote: |
Bob, an update -- The Battery, alternator, and LR3C are fine, the
symptoms below are attributed to operator induced problems.
1. Apparently when hooking up for the test, I caused a short that
blew the fuse to the alternator field. That is the reason for the
battery not charging.
2. I talked to B&C, and downloaded there diagnostic check sheet.
This led to the discovery of the blown fuse.
3. I have installed an old fashioned 50mv/60A shunt in the B lead,
and hooked it up to a DVM. Alternator working fine, hash on recorded
output must be as you originally surmised, the result of noise.
I have not yet tried to filter the noise, now that I know the output
is stable, I can ignore the chart until I have time to fix it.
Thanks for your help/input.
|
Aha! funny thing about those pesky electrons. The
alchemists have been trying to teach them how to jump
gaps for centuries . . . no joy.
If you have an LR3, it should have no fuses in the
field supply lead, only a 5A breaker and perhaps a
fusible link as illustrated in Z14.
Bob . . .
----------------------------------------)
( . . . a long habit of not thinking )
( a thing wrong, gives it a superficial )
( appearance of being right . . . )
( )
( -Thomas Paine 1776- )
----------------------------------------
| | - The Matronics AeroElectric-List Email Forum - | | | Use the List Feature Navigator to browse the many List utilities available such as the Email Subscriptions page, Archive Search & Download, 7-Day Browse, Chat, FAQ, Photoshare, and much more:
http://www.matronics.com/Navigator?AeroElectric-List |
|
|
|
| Back to top |
|
 |
bobmeyers(at)meyersfamily Guest
|
Posted: Tue May 26, 2009 6:28 pm Post subject: LR3 regulator Amperage indications |
|
|
Hi Bill.
I was out at Aurora today and once last week. Both times I remembered
your plane was out there but had forgotten to contact you to see if
you would be around. I'm flying again out of Gauntlet Warbirds at
least once a week. I'll be there next Monday if the weather is good.
If you'd like to show off your plane, I would be delighted to see it.
How often are you around out there?
Take care, good to see your making progress with the issue you posted.
Bob Meyers
Building Sonex 982SX Web Site Index http://meyersfamily.org/Sonex982.html
On May 25, 2009, at 3:50 PM, Bill Schertz wrote:
[quote]
>
Bob, an update -- The Battery, alternator, and LR3C are fine, the
symptoms below are attributed to operator induced problems.
1. Apparently when hooking up for the test, I caused a short that
blew the fuse to the alternator field. That is the reason for the
battery not charging.
2. I talked to B&C, and downloaded there diagnostic check sheet.
This led to the discovery of the blown fuse.
3. I have installed an old fashioned 50mv/60A shunt in the B lead,
and hooked it up to a DVM. Alternator working fine, hash on recorded
output must be as you originally surmised, the result of noise.
I have not yet tried to filter the noise, now that I know the output
is stable, I can ignore the chart until I have time to fix it.
Thanks for your help/input.
Bill Schertz
KIS Cruiser #4045
N343BS
Phase I testing
---
| | - The Matronics AeroElectric-List Email Forum - | | | Use the List Feature Navigator to browse the many List utilities available such as the Email Subscriptions page, Archive Search & Download, 7-Day Browse, Chat, FAQ, Photoshare, and much more:
http://www.matronics.com/Navigator?AeroElectric-List |
|
|
|
| Back to top |
|
 |
|
|
You cannot post new topics in this forum You cannot reply to topics in this forum You cannot edit your posts in this forum You cannot delete your posts in this forum You cannot vote in polls in this forum You cannot attach files in this forum You can download files in this forum
|
Powered by phpBB © 2001, 2005 phpBB Group
|