Matronics Email Lists Forum Index Matronics Email Lists
Web Forum Interface to the Matronics Email Lists
 
 Get Email Distribution Too!Get Email Distribution Too!    FAQFAQ   SearchSearch   MemberlistMemberlist   UsergroupsUsergroups   RegisterRegister 
 ProfileProfile   Log in to check your private messagesLog in to check your private messages   Log inLog in 

B&C alternator for M14

 
Post new topic   Reply to topic    Matronics Email Lists Forum Index -> Yak-List
View previous topic :: View next topic  
Author Message
jan.mevis(at)informavia.b
Guest





PostPosted: Sun Jan 06, 2008 1:14 am    Post subject: B&C alternator for M14 Reply with quote

I have exactly the same installed on my Yak 50. Works well but II’ve connected the output of the regulator circuit (behind the crowbar) to the main bus in my Yak50 (in the big black box mounted on the firewall at the inside; “shitok pitanije” or something but in cyrillic). So the “generator fault” indicator now serves as a “master on” switch. I’ve another light for the alternator fault.

JAn



From: owner-yak-list-server(at)matronics.com [mailto:owner-yak-list-server(at)matronics.com] On Behalf Of Herb Coussons
Sent: zondag 6 januari 2008 6:33
To: yak-list(at)matronics.com
Subject: B&C alternator for M14



Attached is the info on the lightweight 10A alternator from B&C. This is the one on my Yak 55. The photos at the bottom show the unit as mounted on the upper back of the case. There are just 2 wires that leave the Alt going to the regulator, blue in the photo, just behind the right mag The regulator is mounted in front of the firewall on the right, below the oil tank and medial to the battery tray. There are 2 wires leaving the regulator red/blk that enter the wiring harness. I have not unwrapped the whole set of wires as the problem I had related to the 2A CB just before the bus. In my installation the Alt is not switched on the panel. The old "gen" switch is wired into to the main breaker panel and the CB for "gen" is pulled so the GenFailure light on the panel is not lit. The voltage meter in the cockpit is wired in as i can see if the Alt is not charging. I can also see a variable output with the engine speed. i do not pretend to know all of the facts, but reading the long discussions i am not sure mine is wired right since the switch is inop.



Herb




[img]cid:image001.jpg(at)01C8504B.D6C2F790[/img]
 

55:26544



[img]cid:image002.jpg(at)01C8504B.D6C2F790[/img]

55:26545



[img]cid:image003.jpg(at)01C8504B.D6C2F790[/img]

55:26546



[img]cid:image004.jpg(at)01C8504B.D6C2F790[/img]

55:26547



[img]cid:image005.jpg(at)01C8504B.D6C2F790[/img]

55:26548



[img]cid:image006.jpg(at)01C8504B.D6C2F790[/img]

P1010001.JPG



[img]cid:image007.jpg(at)01C8504B.D6C2F790[/img]

P1010003.JPG


 


- The Matronics Yak-List Email Forum -
 

Use the List Feature Navigator to browse the many List utilities available such as the Email Subscriptions page, Archive Search & Download, 7-Day Browse, Chat, FAQ, Photoshare, and much more:

http://www.matronics.com/Navigator?Yak-List



image001.jpg
 Description:
 Filesize:  58.71 KB
 Viewed:  342 Time(s)

image001.jpg



image002.jpg
 Description:
 Filesize:  60.84 KB
 Viewed:  372 Time(s)

image002.jpg



image003.jpg
 Description:
 Filesize:  48.05 KB
 Viewed:  349 Time(s)

image003.jpg



image004.jpg
 Description:
 Filesize:  36.31 KB
 Viewed:  354 Time(s)

image004.jpg



image005.jpg
 Description:
 Filesize:  42.5 KB
 Viewed:  351 Time(s)

image005.jpg



image006.jpg
 Description:
 Filesize:  67.21 KB
 Viewed:  358 Time(s)

image006.jpg



image007.jpg
 Description:
 Filesize:  55.39 KB
 Viewed:  368 Time(s)

image007.jpg


Back to top
mark.bitterlich(at)navy.m
Guest





PostPosted: Mon Jan 07, 2008 2:15 pm    Post subject: B&C alternator for M14 Reply with quote

There really is no right or wrong Herb, per se... But I would consider
wiring the old Generator switch in to disconnect the Pmagnet alternator
from the rest of the aircraft.

Mark


--


- The Matronics Yak-List Email Forum -
 

Use the List Feature Navigator to browse the many List utilities available such as the Email Subscriptions page, Archive Search & Download, 7-Day Browse, Chat, FAQ, Photoshare, and much more:

http://www.matronics.com/Navigator?Yak-List
Back to top
mark.bitterlich(at)navy.m
Guest





PostPosted: Mon Jan 07, 2008 5:47 pm    Post subject: B&C alternator for M14 Reply with quote

There are a couple of different ways that you could make the light work
like it used to. One would be to put a diode in line with the main feed
AFTER the wire that leads to the old generator light. This would allow
the light to come on if the alternator or any part of the regulator
circuit, or the over-voltage protection failed. Of course the kit
already contains a NEW light that you put in that tells you when the
over-voltage relay has tripped, but I think I would like the idea of the
old generator light telling me that the new alternator system had failed
(in any way) better than that. It is all up to the installer, but if
you can think of what you want, and how you want it to operate, it can
likely be re-designed to do that.

Mark Bitterlich


--


- The Matronics Yak-List Email Forum -
 

Use the List Feature Navigator to browse the many List utilities available such as the Email Subscriptions page, Archive Search & Download, 7-Day Browse, Chat, FAQ, Photoshare, and much more:

http://www.matronics.com/Navigator?Yak-List
Back to top
jan.mevis(at)informavia.b
Guest





PostPosted: Tue Jan 08, 2008 12:54 am    Post subject: B&C alternator for M14 Reply with quote

Yes, that's correct. I've opted for a solution where I can go back to the
Russian system easily. I just have to remove the B&C alternator, and put the
generator in again.
And then I can leave in the new circuitry too ....

Jan

--


- The Matronics Yak-List Email Forum -
 

Use the List Feature Navigator to browse the many List utilities available such as the Email Subscriptions page, Archive Search & Download, 7-Day Browse, Chat, FAQ, Photoshare, and much more:

http://www.matronics.com/Navigator?Yak-List
Back to top
cliff(at)gesoco.com
Guest





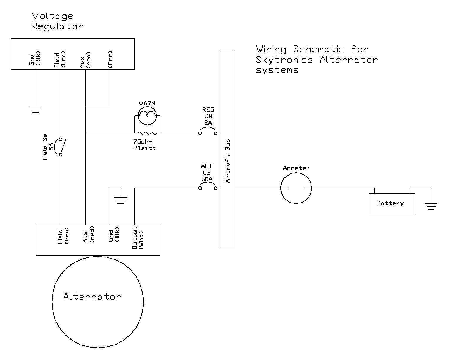
PostPosted: Tue Jan 08, 2008 6:51 am    Post subject: B&C alternator for M14 Reply with quote

I know this discussion is for the B&C, but I've received a lot of wiring
questions for the Skytronics as well.

Attached is the wiring digram for Skytronics showing the warning light
installation.

This is not shown in the original Skytronics wiring diagrams, but is
found in the literature.

Cheers,
Cliff

Jan Mevis wrote:
[quote]

Yes, that's correct. I've opted for a solution where I can go back to the
Russian system easily. I just have to remove the B&C alternator, and put the
generator in again.
And then I can leave in the new circuitry too ....

Jan

--


- The Matronics Yak-List Email Forum -
 

Use the List Feature Navigator to browse the many List utilities available such as the Email Subscriptions page, Archive Search & Download, 7-Day Browse, Chat, FAQ, Photoshare, and much more:

http://www.matronics.com/Navigator?Yak-List



SYKTRONICS_WIRING_DIAGRAM.jpg
 Description:
 Filesize:  82 KB
 Viewed:  357 Time(s)

SYKTRONICS_WIRING_DIAGRAM.jpg


Back to top
brian-1927(at)lloyd.com
Guest





PostPosted: Tue Jan 08, 2008 9:41 am    Post subject: B&C alternator for M14 Reply with quote

On Jan 8, 2008, at 6:11 AM, Cliff Coy wrote:

Quote:
I know this discussion is for the B&C, but I've received a lot of
wiring questions for the Skytronics as well.

Attached is the wiring digram for Skytronics showing the warning
light installation.

This is not shown in the original Skytronics wiring diagrams, but is
found in the literature.

There is something wrong with this diagram. If that is indeed the
voltage regulator, there is no way for the regulator to properly sense
the bus voltage as there is no direct connection from the bus to the
regulator, only the warning light circuit. If they are sensing the bus
voltage through the warning light then regulation is going to suffer.

OTOH, if the device labled "voltage regulator" is just some sort of OV
protection and the real VR is inside the alternator (internally
regulated) then the internal VR could sense the bus through the 'B'
lead (output).

Regardless, the diagram does not appear correct as labeled.

Brian Lloyd 3191 Western Drive
brianl AT lloyd DOT com Cameron Park, CA 95682
+1.916.367.2131 (voice) +1.270.912.0788 (fax)

PGP key ID: 12095C52A32A1B6C
PGP key fingerprint: 3B1D BA11 4913 3254 B6E0 CC09 1209 5C52 A32A 1B6C


- The Matronics Yak-List Email Forum -
 

Use the List Feature Navigator to browse the many List utilities available such as the Email Subscriptions page, Archive Search & Download, 7-Day Browse, Chat, FAQ, Photoshare, and much more:

http://www.matronics.com/Navigator?Yak-List
Back to top
yakplt(at)yahoo.com
Guest





PostPosted: Wed Jan 09, 2008 1:15 am    Post subject: B&C alternator for M14 Reply with quote

Brian, Jan is telling me that the B&C Perm Mag system will not output from the voltage regulator without a battery present. Can you figure that out? It is news to me.

Mark



---


- The Matronics Yak-List Email Forum -
 

Use the List Feature Navigator to browse the many List utilities available such as the Email Subscriptions page, Archive Search & Download, 7-Day Browse, Chat, FAQ, Photoshare, and much more:

http://www.matronics.com/Navigator?Yak-List
Back to top
brian-1927(at)lloyd.com
Guest





PostPosted: Wed Jan 09, 2008 11:01 am    Post subject: B&C alternator for M14 Reply with quote

On Jan 9, 2008, at 12:07 AM, Yak Pilot wrote:

Quote:
Brian, Jan is telling me that the B&C Perm Mag system will not
output from the voltage regulator without a battery present. Can
you figure that out? It is news to me.

It is possible that it will not work without a battery present but
that would surprise me. Certainly the PM alternator (dynamo) will
produce output without any excitation as the magnet provides the
excitation. But I do not claim to be the final authority. B&C can do a
better job of representing their product than I can. I would just call
Bill Bainbridge at B&C and ask him.

Brian Lloyd 3191 Western Drive
brianl AT lloyd DOT com Cameron Park, CA 95682
+1.916.367.2131 (voice) +1.270.912.0788 (fax)

PGP key ID: 12095C52A32A1B6C
PGP key fingerprint: 3B1D BA11 4913 3254 B6E0 CC09 1209 5C52 A32A 1B6C


- The Matronics Yak-List Email Forum -
 

Use the List Feature Navigator to browse the many List utilities available such as the Email Subscriptions page, Archive Search & Download, 7-Day Browse, Chat, FAQ, Photoshare, and much more:

http://www.matronics.com/Navigator?Yak-List
Back to top
jan.mevis(at)informavia.b
Guest





PostPosted: Wed Jan 09, 2008 1:24 pm    Post subject: B&C alternator for M14 Reply with quote

I'm not entirely certain, but the bridge rectifier has two silicon
controlled rectifiers instead of ordinary diodes. These SCR's need a current
on their gate to function. I suppose that this is the reason why this
PMR1-28 regulator needs a battery voltage on the blac and red wires. (IMHO
!!!!)

Jan

--


- The Matronics Yak-List Email Forum -
 

Use the List Feature Navigator to browse the many List utilities available such as the Email Subscriptions page, Archive Search & Download, 7-Day Browse, Chat, FAQ, Photoshare, and much more:

http://www.matronics.com/Navigator?Yak-List
Back to top
mark.bitterlich(at)navy.m
Guest





PostPosted: Wed Jan 09, 2008 2:20 pm    Post subject: B&C alternator for M14 Reply with quote

Hook the red wire to ground through a light bulb and try it again.

Mark


--


- The Matronics Yak-List Email Forum -
 

Use the List Feature Navigator to browse the many List utilities available such as the Email Subscriptions page, Archive Search & Download, 7-Day Browse, Chat, FAQ, Photoshare, and much more:

http://www.matronics.com/Navigator?Yak-List
Back to top
brian-1927(at)lloyd.com
Guest





PostPosted: Wed Jan 09, 2008 3:33 pm    Post subject: B&C alternator for M14 Reply with quote

On Jan 9, 2008, at 1:23 PM, Jan Mevis wrote:

Quote:


I'm not entirely certain, but the bridge rectifier has two silicon
controlled rectifiers instead of ordinary diodes. These SCR's need a
current
on their gate to function. I suppose that this is the reason why this
PMR1-28 regulator needs a battery voltage on the blac and red wires.
(IMHO
!!!!)

It certainly could. Frankly, I would have powered the internal control
circuitry from the unregulated input from the dynamo but that's just me.
Brian Lloyd 3191 Western Drive
brianl AT lloyd DOT com Cameron Park, CA 95682
+1.916.367.2131 (voice) +1.270.912.0788 (fax)

PGP key ID: 12095C52A32A1B6C
PGP key fingerprint: 3B1D BA11 4913 3254 B6E0 CC09 1209 5C52 A32A 1B6C


- The Matronics Yak-List Email Forum -
 

Use the List Feature Navigator to browse the many List utilities available such as the Email Subscriptions page, Archive Search & Download, 7-Day Browse, Chat, FAQ, Photoshare, and much more:

http://www.matronics.com/Navigator?Yak-List
Back to top
mark.bitterlich(at)navy.m
Guest





PostPosted: Wed Jan 09, 2008 4:52 pm    Post subject: B&C alternator for M14 Reply with quote

Disregard, Jan, you're right. I took the darn thing apart and checked
it myself. I also checked it using a variable AC input. It is a ...
IMHO.... A less than perfect design. If your battery goes totally
dead, and you prop the engine and get it started, you still will have no
voltage output on this darn thing. Ridiculous.

Jan, what you could do would be to build an additional circuit for this.
I know if it were my airplane, I sure as heck would. Tap off the two
blue wire, go to a double pole single throw switch. Pushbutton would be
ideal. From there run to a full wave bridge rectifier. Run that to a
medium sized cap, not huge mind you, but about 2000 uf. From there run
to a 7824 voltage regulator heatsinked for 5 amps. Connect that plus
output through about a 10 amp diode directly to the output of B&C's
voltage regulator.

If you ever lose total battery, you then pull the over-voltage breaker
thus disconnecting the B&C from the aircraft load. You prop the
aircraft, push in your new button, and that will flash start your B&C
voltage regulator as long as engine RPM is "up there". When you let go,
the really big 22,000 uf cap that they have on the output of the
regulator will act as a mini-battery and keep the thing operating until
you bring it back down to idle. Hopefully, your battery will then also
pick up some kind of charge.

More simple still.. Do the same thing, but instead of the circuit, put
in a small 24 volt nicad. Diode isolate it, and again use the same
"rest of the design and procedure" to get going again.

Lastly, and this is the best idea. TRASH that stupid circuit and build
your own.

Mark

P.s. I respect B&C for their fine products and think the world of them.
However, I personally think that any voltage regulator connected to the
output of an extremely reliable PMG alternator that REQUIRES battery
voltate in order to even operate is less than ideal. And ... Yes, I
think it is actually stupid... Even though that is much less than
polite. Their 35 and 50 amp systems are nothing like this and are much
better.

--


- The Matronics Yak-List Email Forum -
 

Use the List Feature Navigator to browse the many List utilities available such as the Email Subscriptions page, Archive Search & Download, 7-Day Browse, Chat, FAQ, Photoshare, and much more:

http://www.matronics.com/Navigator?Yak-List
Back to top
brian-1927(at)lloyd.com
Guest





PostPosted: Wed Jan 09, 2008 6:39 pm    Post subject: B&C alternator for M14 Reply with quote

On Jan 9, 2008, at 4:52 PM, Bitterlich, Mark G CIV Det Cherry Point,
MALS-14 64E wrote:

Quote:
Lastly, and this is the best idea. TRASH that stupid circuit and
build
your own.

That is the right idea. As I said, use a boost/buck switching
regulator circuit.

Quote:
P.s. I respect B&C for their fine products and think the world of
them.
However, I personally think that any voltage regulator connected to
the
output of an extremely reliable PMG alternator that REQUIRES battery
voltate in order to even operate is less than ideal. And ... Yes, I
think it is actually stupid... Even though that is much less than
polite. Their 35 and 50 amp systems are nothing like this and are
much
better.

I can actually see a possible reason for it. If your battery is off-
line, you probably want the dynamo to go off line too. OTOH, if you
have a proper regulator it should work just fine even if the battery
is off line.

--
Brian Lloyd 3191 Western Drive
brian HYPHEN 1927 AT lloyd DOT com Cameron Park, CA 95682
+1.916.367.2131 (voice) +1.270.912.0788 (fax)

I fly because it releases my mind from the tyranny of petty things . . .
— Antoine de Saint-Exupéry

PGP key ID: 12095C52A32A1B6C
PGP key fingerprint: 3B1D BA11 4913 3254 B6E0 CC09 1209 5C52 A32A 1B6C


- The Matronics Yak-List Email Forum -
 

Use the List Feature Navigator to browse the many List utilities available such as the Email Subscriptions page, Archive Search & Download, 7-Day Browse, Chat, FAQ, Photoshare, and much more:

http://www.matronics.com/Navigator?Yak-List
Back to top
jan.mevis(at)informavia.b
Guest





PostPosted: Wed Jan 09, 2008 11:37 pm    Post subject: B&C alternator for M14 Reply with quote

Thanks for the idea! I'll work out something.

Jan

--


- The Matronics Yak-List Email Forum -
 

Use the List Feature Navigator to browse the many List utilities available such as the Email Subscriptions page, Archive Search & Download, 7-Day Browse, Chat, FAQ, Photoshare, and much more:

http://www.matronics.com/Navigator?Yak-List
Back to top
jan.mevis(at)informavia.b
Guest





PostPosted: Wed Jan 09, 2008 11:53 pm    Post subject: B&C alternator for M14 Reply with quote

Anyway, with a bad battery, I can't start my Yak 50 at all, since the air
start valve solenoid does not open (and unlike the Yak 52, I can't touch it
from the cockpit).

Jan

--


- The Matronics Yak-List Email Forum -
 

Use the List Feature Navigator to browse the many List utilities available such as the Email Subscriptions page, Archive Search & Download, 7-Day Browse, Chat, FAQ, Photoshare, and much more:

http://www.matronics.com/Navigator?Yak-List
Back to top
mark.bitterlich(at)navy.m
Guest





PostPosted: Thu Jan 10, 2008 3:10 pm    Post subject: B&C alternator for M14 Reply with quote

Which can be rectified by some shroud line and a little imagination.
Been there, done that.

Mark



--


- The Matronics Yak-List Email Forum -
 

Use the List Feature Navigator to browse the many List utilities available such as the Email Subscriptions page, Archive Search & Download, 7-Day Browse, Chat, FAQ, Photoshare, and much more:

http://www.matronics.com/Navigator?Yak-List
Back to top
jan.mevis(at)informavia.b
Guest





PostPosted: Thu Jan 10, 2008 9:28 pm    Post subject: B&C alternator for M14 Reply with quote

Yes, of course. But there's an advantage too. I had it too in my Yak 50. Bad
battery, no start. I did not notice the status of the battery before because
the voltmeter is broken since I bought the plane. And then I prefer to
change the battery before flying.

Jan

--


- The Matronics Yak-List Email Forum -
 

Use the List Feature Navigator to browse the many List utilities available such as the Email Subscriptions page, Archive Search & Download, 7-Day Browse, Chat, FAQ, Photoshare, and much more:

http://www.matronics.com/Navigator?Yak-List
Back to top
Display posts from previous:   
Post new topic   Reply to topic    Matronics Email Lists Forum Index -> Yak-List All times are GMT - 8 Hours
Page 1 of 1

 
Jump to:  
You cannot post new topics in this forum
You cannot reply to topics in this forum
You cannot edit your posts in this forum
You cannot delete your posts in this forum
You cannot vote in polls in this forum
You cannot attach files in this forum
You can download files in this forum


Powered by phpBB © 2001, 2005 phpBB Group