nuckolls.bob(at)cox.net Guest
|
Posted: Thu Dec 20, 2007 5:38 am Post subject: Switched hot bus |
|
|
At 03:36 PM 10/3/2007 +0000, you wrote:
| Quote: | All
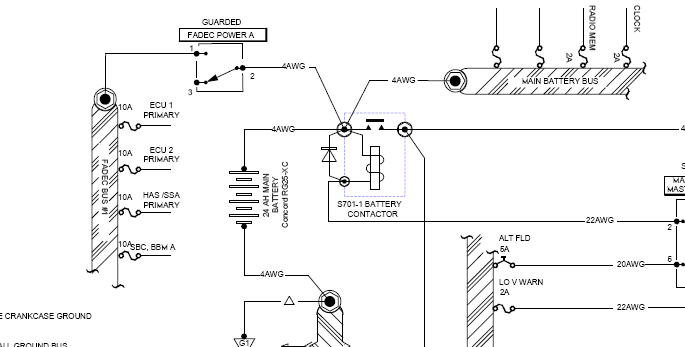
I am currently working on my wiring diagram for my FADEC equipped
plane. I will be using a slightly modified version of the Z-14
diagram. I found a fellow builder with the same setup as me and got a
hold of his wiring diagram. Attached is a snippet of that diagram. My
question pertains to the guarded switch for FADEC bus #1 (there is a
similar setup for FADEC bus #2). The diagram is showing 4 AWG wire
between the battery and guarded switch. Shouldn t there be a relay or
something here?
Thanks,
Jason
image001.png
|
I would rather see the FADEC equipment drive from
the Main Battery Bus with switching for each feeder
supplied downstream of the fuses as appropriate.
Without having detailed data on the functionality
of your FADEC system and its failure modes, it's
not possible to offer a well considered recommendation.
If your system demands an architecture like you've
illustrated, then the switch should be a relay (solid
state perhaps?) right at the battery. The 4AWG wire
cited can probably be MUCH smaller.
Bob . . .
----------------------------------------)
( . . . a long habit of not thinking )
( a thing wrong, gives it a superficial )
( appearance of being right . . . )
( )
( -Thomas Paine 1776- )
----------------------------------------
| | - The Matronics AeroElectric-List Email Forum - | | | Use the List Feature Navigator to browse the many List utilities available such as the Email Subscriptions page, Archive Search & Download, 7-Day Browse, Chat, FAQ, Photoshare, and much more:
http://www.matronics.com/Navigator?AeroElectric-List |
|
| Description: |
|
| Filesize: |
35.57 KB |
| Viewed: |
258 Time(s) |

|
|
|