 |
Matronics Email Lists Web Forum Interface to the Matronics Email Lists
|
| View previous topic :: View next topic |
| Author |
Message |
jason.rouault(at)hp.com Guest
|
Posted: Wed Oct 03, 2007 7:39 am Post subject: Switched hot bus |
|
|
All—
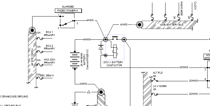
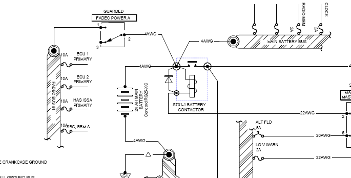
I am currently working on my wiring diagram for my FADEC equipped plane. I will be using a slightly modified version of the Z-14 diagram. I found a fellow builder with the same setup as me and got a hold of his wiring diagram. Attached is a snippet of that diagram. My question pertains to the guarded switch for FADEC bus #1 (there is a similar setup for FADEC bus #2). The diagram is showing 4 AWG wire between the battery and guarded switch. Shouldn’t there be a relay or something here?
Thanks,
Jason
[img]cid:image001.png(at)01C805A0.AE462D00[/img]
| | - The Matronics AeroElectric-List Email Forum - | | | Use the List Feature Navigator to browse the many List utilities available such as the Email Subscriptions page, Archive Search & Download, 7-Day Browse, Chat, FAQ, Photoshare, and much more:
http://www.matronics.com/Navigator?AeroElectric-List |
|
| Description: |
|
| Filesize: |
35.57 KB |
| Viewed: |
229 Time(s) |

|
|
|
| Back to top |
|
 |
zk-vii(at)rvproject.gen.n Guest
|
Posted: Wed Oct 03, 2007 12:04 pm Post subject: Switched hot bus |
|
|
Hi Jason,
I'm guessing that is a typo. The ECUs require about 7amps if I recall (although I don't know if that is each or both), HSA / SSA are low level signal elements - being real generous I don't think more than 15 ish amps will be required for continuous duty. Obviously depending on wire length, something like AWG 14 should be in the ball park.
Now the question of will the switch handle that current - different problem...
HTH,
Carl
--
ZK-VII - RV 7A QB - finishing? - New Zealand
http://www.rvproject.gen.nz/
[quote] --
| | - The Matronics AeroElectric-List Email Forum - | | | Use the List Feature Navigator to browse the many List utilities available such as the Email Subscriptions page, Archive Search & Download, 7-Day Browse, Chat, FAQ, Photoshare, and much more:
http://www.matronics.com/Navigator?AeroElectric-List |
|
| Description: |
|
| Filesize: |
35.57 KB |
| Viewed: |
218 Time(s) |

|
|
|
| Back to top |
|
 |
|
|
You cannot post new topics in this forum You cannot reply to topics in this forum You cannot edit your posts in this forum You cannot delete your posts in this forum You cannot vote in polls in this forum You cannot attach files in this forum You can download files in this forum
|
Powered by phpBB © 2001, 2005 phpBB Group
|