 |
Matronics Email Lists Web Forum Interface to the Matronics Email Lists
|
| View previous topic :: View next topic |
| Author |
Message |
nuckolls.bob(at)aeroelect Guest
|
Posted: Fri Oct 23, 2020 2:30 pm Post subject: Grounding shielded wire 1/4 from one side? |
|
|
At 01:18 PM 10/22/2020, you wrote:
| Quote: | --> AeroElectric-List message posted by: "rparigoris" <rparigor(at)hotmail.com>
Hi Group I have a question about running a shielded wire to ground. On my Rotax 914 it has 2 shielded wires going from the Ducati ignition modules to the ignition ACS switch. The shield is connected to the ignition switch and is used to ground the Ducati ignition modules. Where the shielded wires go into the ignition connectors things get pretty tight and need to make sharp bends for several inches. The 2 shielded wires run right by my FWF ground field of tabs about 1/4 the total length from the ignition modules. Is there anything wrong with carefully removing the insulation on the shielded wires, wrapping ground wire to shield and carefully soldering then connect to field of tabs?:
[url=https://1drv.ms/u/s!Ah1S270Nwg9V3VSqwoGL7YgsYS7Z?e=EsKSit] https://1drv.ms/u/s!Ah1S270Nwg9V3VSqwoGL7YgsYS7Z?e=EsKSit[/url]
|
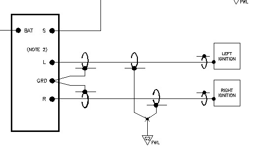
What you proposed is probably fine . . .
Ground shields to airframe in only one
place (forest of tabs) using your
proposed 'tap'. Use shields to SUPPLY
ground at ignition switch.
See attached . . .
Of course the assumed condition is that
there exists a FAT wire jumper from engine
crankcase to FWL stud.
Bob . . .
| | - The Matronics AeroElectric-List Email Forum - | | | Use the List Feature Navigator to browse the many List utilities available such as the Email Subscriptions page, Archive Search & Download, 7-Day Browse, Chat, FAQ, Photoshare, and much more:
http://www.matronics.com/Navigator?AeroElectric-List |
|
| Description: |
|
| Filesize: |
19.23 KB |
| Viewed: |
2364 Time(s) |

|
|
|
| Back to top |
|
 |
rparigoris
Joined: 24 Nov 2009 Posts: 812
|
Posted: Fri Oct 23, 2020 3:35 pm Post subject: Re: Grounding shielded wire 1/4 from one side? |
|
|
Hi Bob
Thank you for reply. I have a #4 fat wire running from field of tab main negative 3/8" Brass bolt pass-through FW to the starter nub on my Rotax 914. Ron P.
| | - The Matronics AeroElectric-List Email Forum - | | | Use the List Feature Navigator to browse the many List utilities available such as the Email Subscriptions page, Archive Search & Download, 7-Day Browse, Chat, FAQ, Photoshare, and much more:
http://www.matronics.com/Navigator?AeroElectric-List |
|
|
|
| Back to top |
|
 |
|
|
You cannot post new topics in this forum You cannot reply to topics in this forum You cannot edit your posts in this forum You cannot delete your posts in this forum You cannot vote in polls in this forum You cannot attach files in this forum You can download files in this forum
|
Powered by phpBB © 2001, 2005 phpBB Group
|