nuckolls.bob(at)aeroelect Guest
|
Posted: Fri Jan 12, 2018 11:30 am Post subject: Need a device to send 12volts when all 3 green lights |
|
|
At 05:03 PM 1/11/2018, you wrote:
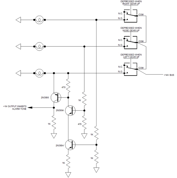
Okay, how about something like this:
[img]cid:7.1.0.9.0.20180112132936.0675e9e0(at)aeroelectric.com.0[/img]
Bob . . .
| | - The Matronics AeroElectric-List Email Forum - | | | Use the List Feature Navigator to browse the many List utilities available such as the Email Subscriptions page, Archive Search & Download, 7-Day Browse, Chat, FAQ, Photoshare, and much more:
http://www.matronics.com/Navigator?AeroElectric-List |
|
| Description: |
|
| Filesize: |
60.26 KB |
| Viewed: |
1517 Time(s) |

|
|
|