 |
Matronics Email Lists Web Forum Interface to the Matronics Email Lists
|
| View previous topic :: View next topic |
| Author |
Message |
jmjones2000(at)mindspring Guest
|
Posted: Fri Mar 13, 2015 4:55 pm Post subject: Z-13 Ammeter Relocation Question |
|
|
How would I elegantly wire a single shunt to the Z-13 diagram to show me the electrons flowing into and out of the battery?
Z-13 shows ammeters on each alternator B-lead. This will indicate the amount of electrons leaving the alternator and going into either the aircraft load, the battery, or both. I am more interested in the amount of electrons coming into and going out of the battery. I have and electrically dependent engine, and the standby alternator is a 20 amp B&C gear driven alternator (BC-410H).
As suggested by Bob in an earlier post, I have done a load analysis and know the position of the cockpit switches in the event of a primary alternator/regulator failure, and also the switch positions if the secondary alternator/regulator fails.
There is a low voltage warning system installed that will show me when an alternator fails by flashing a light.
Correct me if I am wrong, but with an ammeter in a position to monitor the electrons coming and going to the battery, it can be used as a tool to monitor the health of the battery.
The way I understand it the alternator is intended to carry the entire running load of the electrical system. If the current draw is greater than the alternator output (for any reason), it would show a discharge on the battery. I have a Dynon electric engine monitor and have the ability to fine tune where the “red” or ‘yellow” arcs are at. It would be easy to show a warning if the amps began indicating less than zero (indicating a discharging battery).
It would seem beneficial to be able to watch the battery take the charge after start, and to taper off with time, indicating the health of the battery.
I would like to hear some other opinions on why locating a shunt on each alternator is a better idea.
I would also like to see the best option for hooking up a single shunt to the battery if I decide to go that way.
Thanks for the help!
| | - The Matronics AeroElectric-List Email Forum - | | | Use the List Feature Navigator to browse the many List utilities available such as the Email Subscriptions page, Archive Search & Download, 7-Day Browse, Chat, FAQ, Photoshare, and much more:
http://www.matronics.com/Navigator?AeroElectric-List |
|
|
|
| Back to top |
|
 |
user9253
Joined: 28 Mar 2008 Posts: 1970 Location: Riley TWP Michigan
|
Posted: Sat Mar 14, 2015 5:43 am Post subject: Re: Z-13 Ammeter Relocation Question |
|
|
The Dynon Skyview installation guide shows 3 possible locations for an ammeter shunt. See page 7-52.
http://tinyurl.com/Dynon-Install-Guide
I never thought that a battery ammeter was very useful until reading about this accident.
http://forums.matronics.com/viewtopic.php?t=16757524
A battery ammeter might have helped the pilot realize why the aircraft system voltage was dropping so fast. He then could have opened the battery contactor before the engine quit.
Joe
| | - The Matronics AeroElectric-List Email Forum - | | | Use the List Feature Navigator to browse the many List utilities available such as the Email Subscriptions page, Archive Search & Download, 7-Day Browse, Chat, FAQ, Photoshare, and much more:
http://www.matronics.com/Navigator?AeroElectric-List |
|
_________________ Joe Gores |
|
| Back to top |
|
 |
jmjones2000(at)mindspring Guest
|
Posted: Sat Mar 14, 2015 10:54 am Post subject: Z-13 Ammeter Relocation Question |
|
|
For $62, a 500A shunt and digital ammeter can be purchased. In the unlikely event of a shorted battery, the shunt would act like a 500A current limiter and remove the battery from the system. This is assuming the shunt is hooked up directly to and at the battery.
| | - The Matronics AeroElectric-List Email Forum - | | | Use the List Feature Navigator to browse the many List utilities available such as the Email Subscriptions page, Archive Search & Download, 7-Day Browse, Chat, FAQ, Photoshare, and much more:
http://www.matronics.com/Navigator?AeroElectric-List |
|
|
|
| Back to top |
|
 |
nuckolls.bob(at)aeroelect Guest
|
Posted: Sat Mar 14, 2015 4:18 pm Post subject: Z-13 Ammeter Relocation Question |
|
|
The single most important instrumentation
in the airplane's electrical system is active
notification of low voltage. The bus cannot rise
above 13.0 volts without aid of a functioning
alternator.
If the battery is being sized and maintained to
accomplish battery-only endurance operations with
certainty, then its capacity is a known quantity.
Once the capacity falls below this design goal,
prudent operations call for replacing it.
This happens when the battery has lost about 20%
of its as-installed capacity. This value will be
reached before it begins to show signs of weakness
by either (1) lethargic engine cranking or (2)
rapid decay of the recharge current after the
alternator starts.
If the airplane is not electrically dependent
and no battery-only endurance goals are in place,
then your best indicator of battery condition
will be cranking performance. If it got the engine
started, you're good to fly.
In the well crafted electrical system, ammeters
yield no useful flight-ops information. When the
alternator is running, all loads are, or should
be, known. Hence as long as the low volts lite
is out, all is right with the universe.
If the alternator quits, all endurance loads are
known as well as the battery's ability to grunt
said loads to design goals. Again, ammeters are
cool gages with wiggly pointers . . . but not
useful for flight-ops guidance (or clues as to
battery condition).
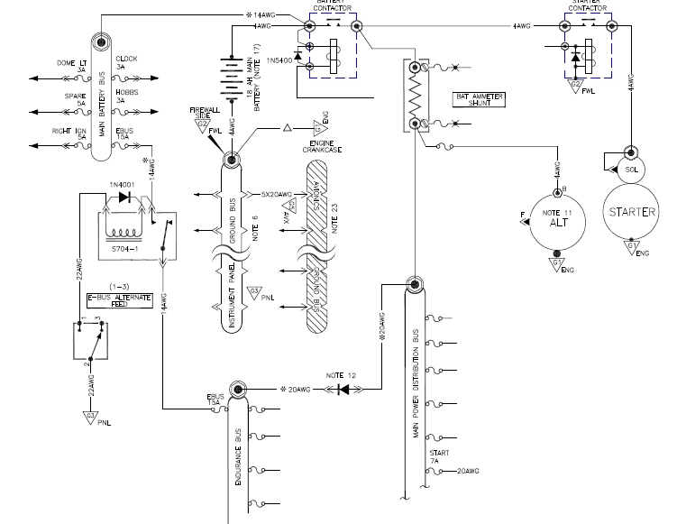
Now, if you truly want a -0+ battery ammeter,
you'll need to arrange for the shunt NOT to carry
starter current so that the ammeter sees only
flow to/from the battery. This still doesn't measure
loads in the endurance mode but it will let you
interpret recharge behavior after a start.
Like so . . .
[img]cid:.0[/img]
Bob . . .
| | - The Matronics AeroElectric-List Email Forum - | | | Use the List Feature Navigator to browse the many List utilities available such as the Email Subscriptions page, Archive Search & Download, 7-Day Browse, Chat, FAQ, Photoshare, and much more:
http://www.matronics.com/Navigator?AeroElectric-List |
|
| Description: |
|
| Filesize: |
128.52 KB |
| Viewed: |
4048 Time(s) |

|
|
|
| Back to top |
|
 |
|
|
You cannot post new topics in this forum You cannot reply to topics in this forum You cannot edit your posts in this forum You cannot delete your posts in this forum You cannot vote in polls in this forum You cannot attach files in this forum You can download files in this forum
|
Powered by phpBB © 2001, 2005 phpBB Group
|